6307 Kullager SKF
SKF | Dim: 35x80x21
Lägg till en bevakning så meddelar vi dig så snart varan är i lager igen.
6307 Kullager SKF
SKF | Dim: 35x80x21
Detta 6307 SKF kullager med måtten 35x80x21 är ett enradigt spårkullager utan tätningar, det vill säga öppet.
Otätade spårkullager som detta används oftast där det finns tillgång till extern smörjning eller där lagret ligger i ett oljebad.
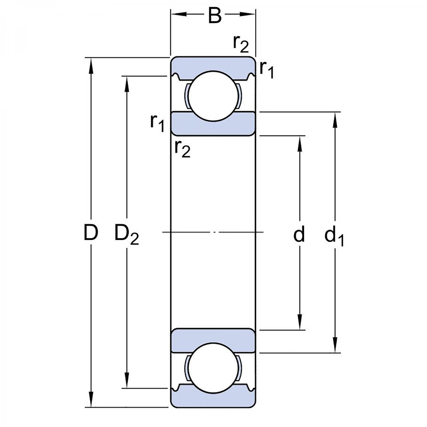
Nedan hittar du mer ingående information om detta spårkullager
| FULLSTÄNDIG SKF BETECKNING: | SKF 6307 |
|---|---|
| ( d ) INNERDIAMETER: | 35 mm |
| ( D ) YTTERDIAMETER: | 80 mm |
| ( B ) BREDD: | 21 mm |
| TÄTNING: | Öppet lager |
| LAGERSPEL / RADIALGLAPP: | CN - Normalt (0,006-0,02mm) |
| LAGERHÅLLARE: | Nitad / Pressad Stålhållare |
| TEMPERATURVIDD °C: | -20°C till +150°C |
| MÅTTNOGRANNHET INV / UTV: | Motsvarar P6 - tolerans |
| LÖPNOGRANNHET: | Toleransklass P5 / ABEC 5 |
| BREDDTOLERANS: | 0,00-0,06mm |
| REFERENSVARVTAL: Med detta tal kan man snabbt bedöma lagrets förmåga att klara höga varvtal ur termisk synvinkel. |
19000 r/min |
| GRÄNSVARVTAL: Detta är en mekanisk gräns som inte ska överskridas om inte lagerkonstruktionen och inbyggnaden är anpassade för högre varvtal. |
12000 r/min
|
| BÄRIGHETSTAL DYNAMISKT (C) : | 35,1 kN |
| BÄRIGHETSTAL STATISKT (C0): | 19 kN |
| ALTERNATIVA BETECKNINGAR: Dessa beteckningar betyder samma som att lagret är öppet. |
6307C 6307/C 6307-C |
| FABRIKAT: | SKF |
