RAE 15 NPP FA106 Insatslager INA
Inv: 15mm | Utv: 40mm | Insatslager med cylindrisk ytterbana och excentrisk låsning
Lägg till en bevakning så meddelar vi dig så snart varan är i lager igen.
RAE 15 NPP FA106 Insatslager INA
Inv: 15mm | Utv: 40mm | Insatslager med cylindrisk ytterbana och excentrisk låsning
Detta RAE 15 XL NPP FA106 är ett insatslager med cylindrisk ytterbana och excentrisk låsring från INA. Insatslagret har läpptätning på båda sidor.
Insatslagret passar till axlar som har en diameter på 15mm. Här nedan hittar du mer information om detta insatslager.
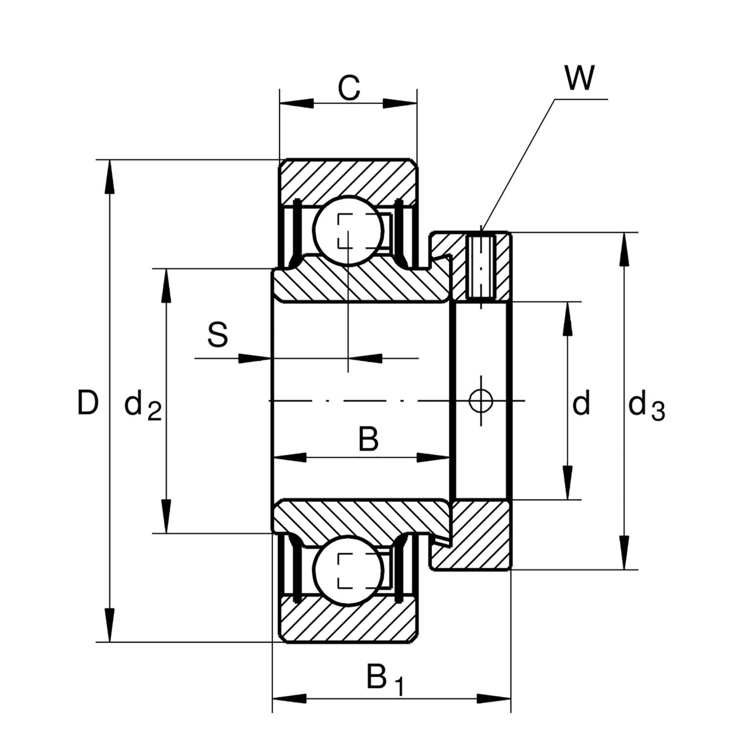
| FULLSTÄNDIG INA BETECKNING: | RAE15-XL- NPP-FA106 |
|---|---|
| ( d ) INNERDIAMETER: | 15 mm |
| ( D ) YTTERDIAMETER: | 40 mm |
| ( B1 ) TOTALBREDD: | 28,6 mm |
| ( B ) BREDD: | 19 mm |
| ( C ) BREDD YTTERBANA: | 12 mm |
| ( d2 ) DIAMETER: | 23 mm |
| ( d3 ) YTTERDIAMETER LÅSRING: | 28,4 mm |
| BÄRIGHETSTAL DYNAMISKT Cr: | 9,8 kN |
| BÄRIGHETSTAL STATISKT C0r: | 4,75 kN |
| EFTERBETECKNINGAR: |
XL = X-Life NPP = Läpptätning på båda sidor FA106 = Lager speciellt testat för buller och ljud |
| ALTERNATIVA BETECKNINGAR: Olika fabrikat har olika benämningar för samma lagersort. |
RAE15 NPP FA106 1315-15 |
| FABRIKAT: | INA |
