SB 202 2RS G Insatslager
FK | Dim: 15x40x22 mm
Lägg till en bevakning så meddelar vi dig så snart varan är i lager igen.
SB 202 2RS G Insatslager
FK | Dim: 15x40x22 mm
SB 202 är ett insatslager från FK Bearing som vanligtvis sitter monterat i lagerhus eller plåthus. Lagret passar på axlar som har en diameter på 15 mm.
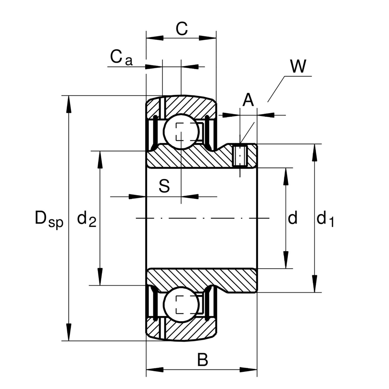
| FULLSTÄNDIG BETECKNING: | SB 204-2RS-G |
|---|---|
| ( d ) INVÄNDIGDIAMETER | 15 mm |
| ( Dsp ) YTTERDIAMETER: | 40 mm |
| ( B ) BREDD PÅ INNERRING: | 22 mm |
| ( C ) BREDD PÅ YTTERRING: | 12 mm |
| ( d1 ) YTTERDIAMETER PÅ INNERRING: | ≈ 23,9mm |
| ( d2 ) YTTERDIAMETER PÅ INNERRING:: | ≈ 22,9mm |
| ( A ) MÅTT: | 4,0 mm |
| ( W ) STOPPSKRUV: | M5 |
| DYNAMISKT BÄRIGHETSTAL (C): | 9,5kN |
| STATISKT BÄRIGHETSTAL (C0): | 4,15kN |
| ALTERNATIVA BETECKNINGAR: | AS202 AY15 NPPB GAY15-NPPB GAY15-XL-NPP-B M-AS202 D1 PB202 SB202 UB202 US202 . G2 YAT203/15 YAT 203-15 |
| GUMMIRING FÖR LAGERLÄGE: | RIS 203 |
