SBLF 205 Lagerenhet
PTI | För axel: 25mm
Lägg till en bevakning så meddelar vi dig så snart varan är i lager igen.
SBLF 205 Lagerenhet
PTI | För axel: 25mm
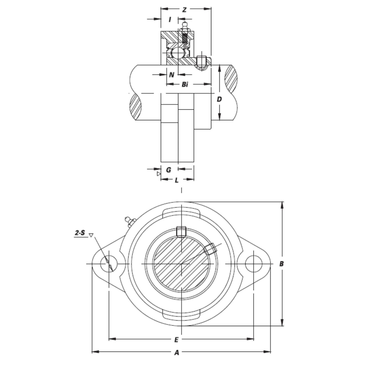
SBLF 205 är en kompakt 2-bultad lagerenhet som passar för axlar med diameter 25mm.
Nedan ser du alla mått som denna lagerenhet har.
| FULLSTÄNDIG BETECKNING: | SBLF205 |
| ( d ) AXELDIAMETER: | 25 mm |
| ( A ) YTTERMÅTT LAGERHUS: | 95 mm |
| ( E ) CC MÅTT MELLAN HÅL: | 76 mm |
| ( G ) TJOCKLEK FOT: | 11 mm |
| ( L ) TJOCKLEK PÅ HUS: | 20 mm |
| PASSANDE BULT: | M8 |
| AXELLÅSNING / ÅTDRAGNINGSMOMENT: | |
| LAGERHUS: | LF205 / LF 205 |
| INSATSLAGER: |
SB 205 / AY205 / YAT 205 |
| ALTERNATIVA BETECKNINGAR: |
SBLF-205 SBLF205 |
| FABRIKAT: |
PTI |
