SNL 524 Lagerhus Codex
Ett kraftigt delbart lagerhus för tyngre drifter som medger en snabb montering och demontering då huset består av en överdel och underdel.
Lägg till en bevakning så meddelar vi dig så snart varan är i lager igen.
SNL 524 Lagerhus Codex
Detta lagerhus är ett delbart lagerhus som kan byggas ihop i olika varianter med Sfäriska rullager eller kullager.
Både lagerhuset och de lager som ska sitta i lagerhuset är av kraftig modell för tyngre drifter och långa livslängder.
Att lagerhuset dessutom är delbart kan i vissa fall underlätta både montage, demontage och lagerbyten.
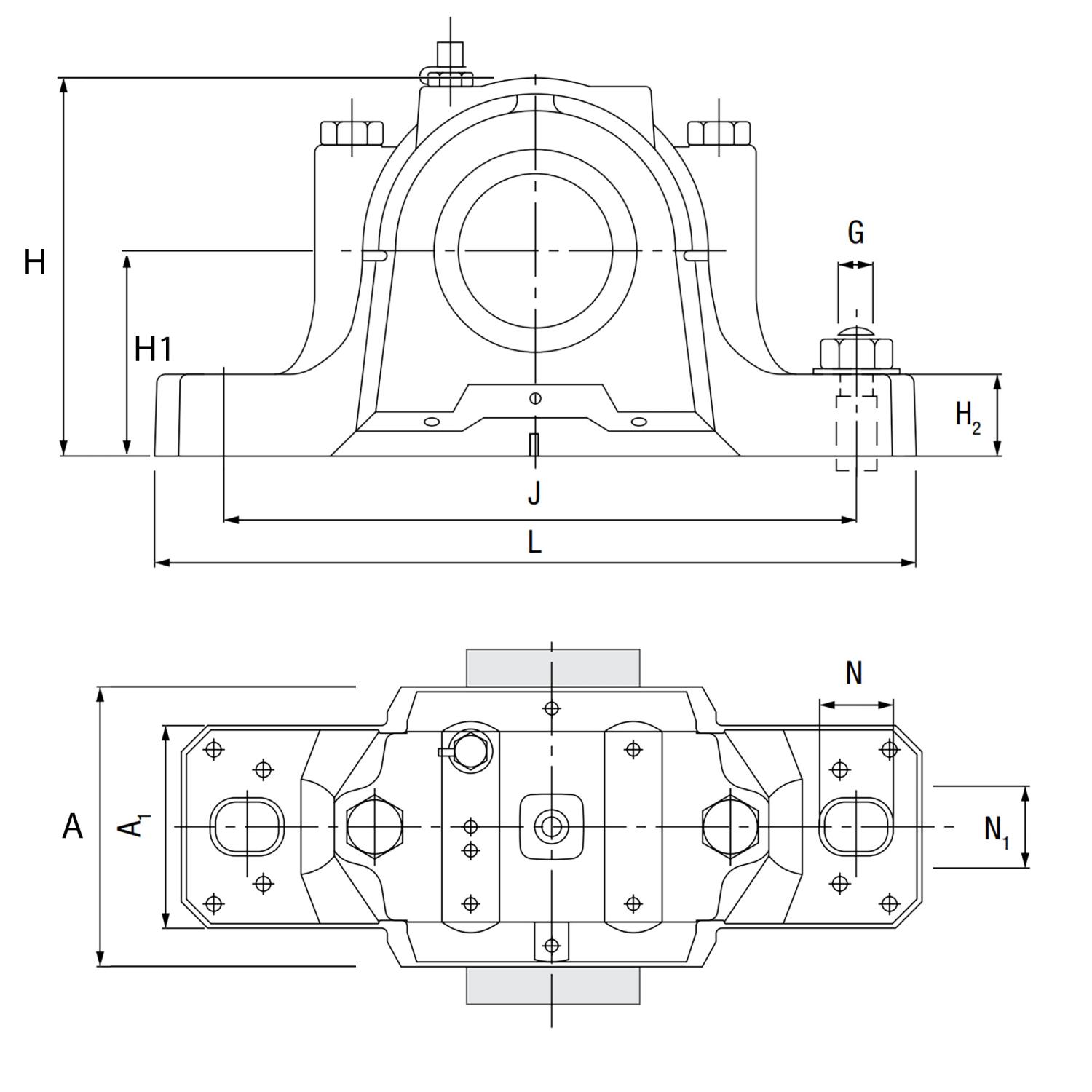
I tabellen under Mer info hittar du mer ingående information om detta lagerhus och även förslag på olika kombinationer som du kan bygga ihop denna enhet med. Tänk på att välja utefter vilken storlek axeln har.
| FULLSTÄNDIG BETECKNING: | SNL 524-615 |
|---|---|
| ( A ) TOTALBREDD: | 185 mm |
| ( H ) TOTAL HÖJD: | 271 mm |
| ( H1 ) MITTHÖJD PÅ LAGERSÄTE: | 140 mm |
| ( L ) TOTAL LÄNGD: | 410 mm |
| ( N ) LÄNGD PÅ FÄSTBULTSHÅL: | 32 mm |
| ( N1 ) BREDD PÅ FÄSTBULTSHÅL: | 26 mm |
| ( J ) AVSTÅND MELLAB FÄSTBULTSHÅL: | 350 mm |
| ( A1 ) FOTBREDD: | 120 mm |
| FÖRSLAG 1: För 110mm axel | 22224 K Sfäriskt Rullager H3124 Klämhylsa TSU 524 Tätningssats TSNG 524 Tätningssats 215x14 Styrring |
| FÖRSLAG 2: För 110mm axel | 23224 K Sfäriskt Rullager H2324 Klämhylsa TSU 524 Tätningssats TSNG 524 Tätningssats 215x10 Styrring |
| ALTERNATIVA BETECKNINGAR: | SNC524 SNC 524 SNL524 SES524 |
| FABRIKAT: | CODEX |
