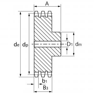
Transmission Kedjehjul Obearbetad med NAV 10B-3 Kedjehjul 14T 5/8" (10B-3) Kedjehjul Triplex obearbetad 14 Tänder | 5/8" (10B-3) TRIPLEX 528850 289 :- / st Lägg till i favoriter LagerstatusSkickas prel. inom 7-10 vardagar Köp