AXK 2542 (AXK 1105) Axialnålkrans INA / NTN
INA / NTN | Dim: 25x42x2
Lägg till en bevakning så meddelar vi dig så snart varan är i lager igen.
AXK 2542 (AXK 1105) Axialnålkrans INA / NTN
INA / NTN | Dim: 25x42x2
Denna axialnålkrans kan användas med eller utan löpbrickor.
AXK serien är enkelverkande och kan endast ta belastning i en riktning. Tål stötbelastning och har styv och hög bärförmåga.
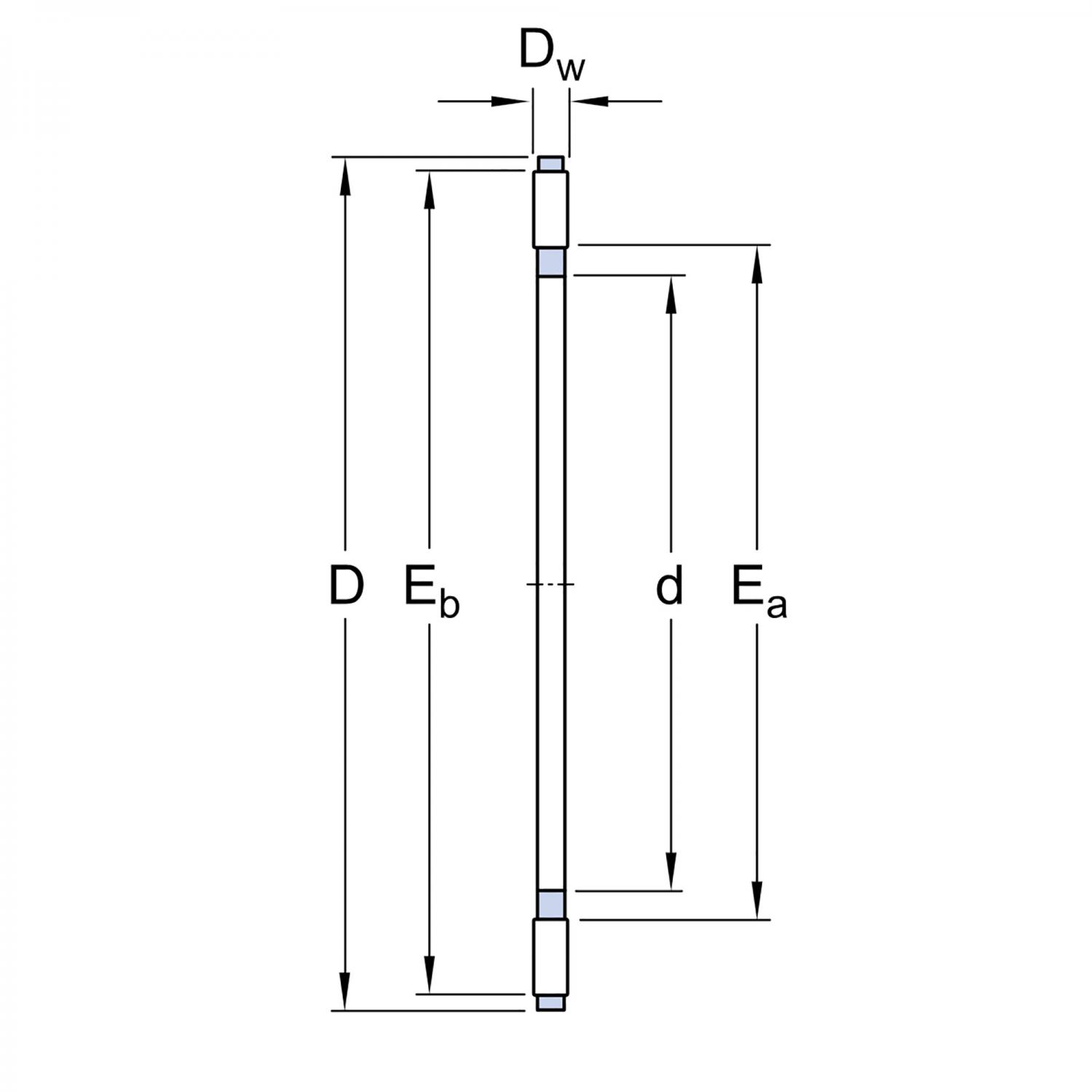
| FULLSTÄNDIG BETECKNING: | AXK 2542 / AXK 1105 |
|---|---|
| ( d ) INNERDIAMETER: | 25 mm |
| ( D ) YTTERDIAMETER: | 42 mm |
| ( Dw ) HÖJD: | 2 mm |
| BÄRIGHETSTAL DYNAMISKT: | 13,4kN |
| BÄRIGHETSTAL STATISKT: | 60kN |
| REFERENSVARVTAL: | 3800r/min |
| GRÄNSSVARVTAL: | 7500r/min |
| ALTERNATIV BETECKNING: |
AXK 2542 AXK 1105 |
| PASSANDE LAGERBRICKOR: |
AS 1105 AS 2542 LS 2542 GS 81105 WS 81105 |
| FABRIKAT: | NTN / INA |
