SC 207 2RS Insatslager
Dim: 35x72x17 | Insatslager med sfärisk ytterbana
Lägg till en bevakning så meddelar vi dig så snart varan är i lager igen.
SC 207 2RS Insatslager
Dim: 35x72x17 | Insatslager med sfärisk ytterbana
Detta SC 207 2RS är ett som ett vanligt 6207 2RS lager i dimensioner men med den STORA skillnad att det har en sfärisk ytterbana istället. Detta för att kunna sitta monterat i plåthus bland annat.
Insatslagret passar till axlar som har en diameter på 35mm.
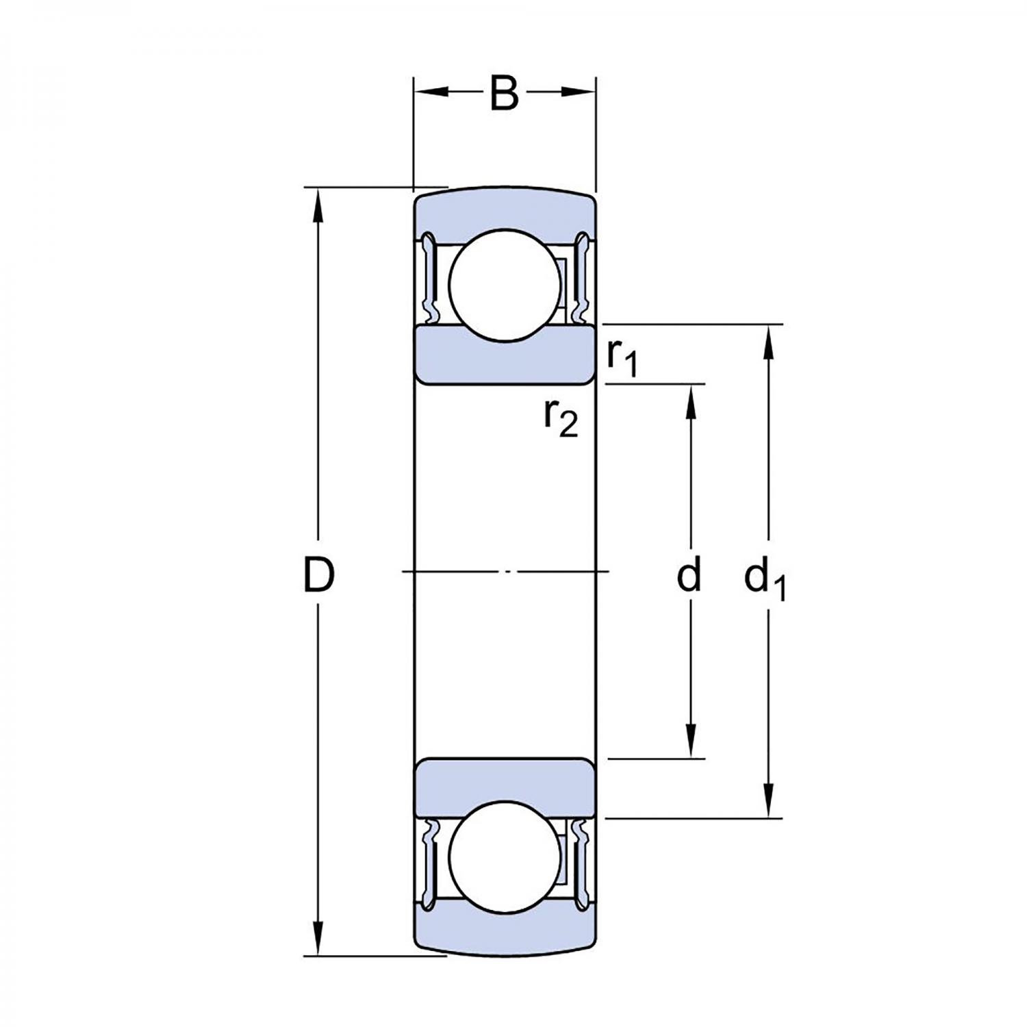
Här nedan hittar du mer information om detta insatslager.
| FULLSTÄNDIG BETECKNING: | SC 207 2RS |
|---|---|
| ( d ) INNERDIAMETER: | 35 mm |
| ( D ) YTTERDIAMETER: | 72 mm |
| ( B ) TOTALBREDD: | 17 mm |
| BÄRIGHETSTAL DYNAMISKT: | 25,7 kN |
| BÄRIGHETSTAL STATISKT: | 15,3 kN |
| EFTERBETECKNINGAR: |
2RS = Gummitätning på båda sidor |
| ALTERNATIVA BETECKNINGAR: Olika fabrikat har olika benämningar för samma lagersort. |
CS 207 LLU SC 207 LLU 1726207 2RS 207 NPP-B 207 NPPB UD 207 K6207 2RS |
| FABRIKAT: | FK Bearing |
